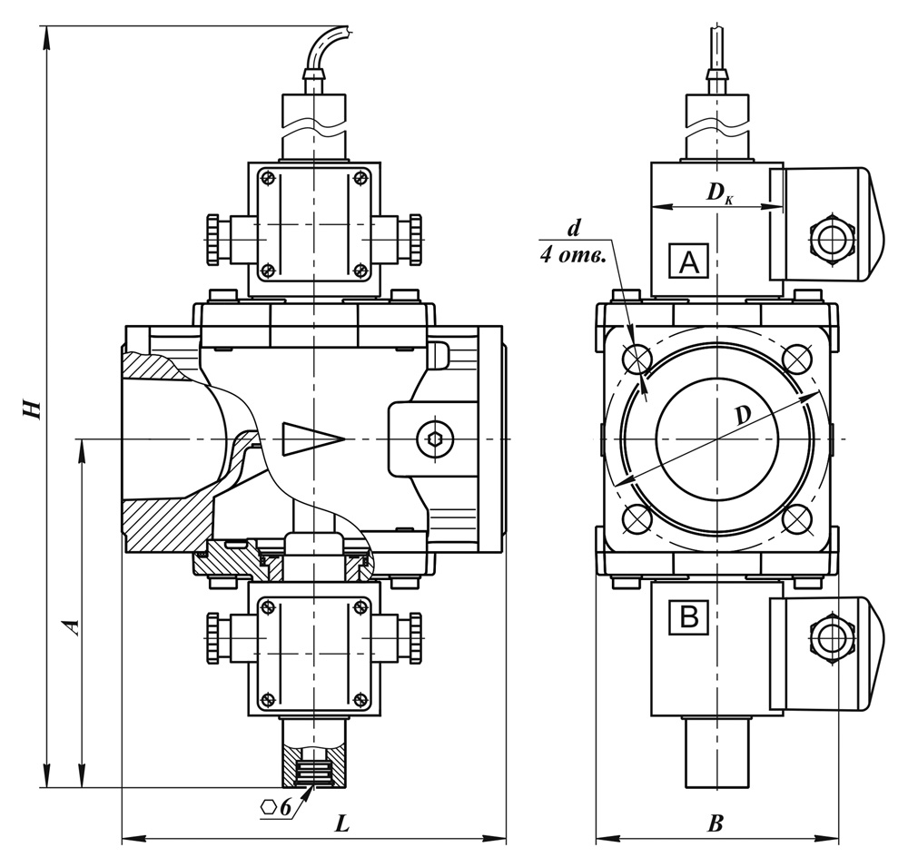
Клапаны электромагнитные трехпозиционные фланцевые DN 25-50, с одним регулятором расхода и датчиком положения
Характеристики:
| Материал корпуса: |
алюминиевые сплавы АК12ОЧ, АК12ПЧ |
|
Частота включений, 1/час, не более: |
1000 |
|
Потребляемая мощность электромагнитной катушки, в нагретом состоянии, не более: |
в момент открытия клапана: 25 Вт; в режиме энергосбережения: 12,5 Вт. |
|
Потребляемый ток в момент открытия клапана, не более: |
для исполнения 220 В: 150 мА; для исполнения 110 В: 300 мА; для исполнения 24 В: 1300 мА. |
|
Климатическое исполнение: |
У3.1 (-30...+60 °С); У2 (-45...+60 °С); УХЛ2 (-60...+60 °С); УХЛ1 (-60...+60 °С) - только для взрывозащищенного исполнения. |
|
Степень защиты: |
общепромышленное исполнение - IP65; взрывозащищенное исполнение - IP67. |
|
Полный ресурс, не менее: |
1 000 000 включений |
| Тип датчика положения: | индуктивный (выходной ключ датчика открывается при срабатывании клапана) |
| Напряжение питания датчика положения: | 10...30 В постоянного тока |
| Степень защиты датчика положения: | IP68 |
| Монтажное положение: |
любое, за исключением, когда электромагнитная катушка "А" направлена вниз. |
В случае заказа клапана во взрывозащищенном исполнении (2Ex mc II T4 Gc X / II Gb c T4) - в конце обозначения необходимо добавить букву "Е". Пример обозначения: ВН2В-0,2Е фл.
Трехпозиционный клапан работает в следующих режимах: “максимальный расход”, “отключено”, “среднее значение расхода”.
Подвод электропитания к клапану осуществляется по следующей схеме:
- 100 % расхода - напряжение подано на катушки “А” и “В”;
- 10 - 60 % расхода - напряжение подано только на катушку “А”.
Необходимый расход газа устанавливается ручным регулятором на магнитной системе (катушке) “В”. Поворачивая винт в сторону знака ”-” можно уменьшить количество проходящего через клапан газа.


